レンズチューブカプラー、ロッキングリング

- Connect Two Lens Tubes Together
- Threaded and Clamping Couplers Available
- Locking Rings Create Mechanical Stop Along Threads
- Options for SM05, SM1, SM1.5, SM2, SM3, and C-Mount Threading
SM2T1
Couples Two
Externally Threaded
SM2 Lens Tubes
CMT10
Couples Two
Internally Threaded
C-Mount Lens Tubes
SM1S10
Spacer for Two Internally Threaded SM1 Lens Tubes
SM1CPL
Shown Clamping Two
SM1 Lens Tubes
Application Idea
SM1CMM Shown Coupling Two KCB1 Kinematic Mirror Mounts
CMNT1
Slotted C-Mount
Locking Ring

Please Wait
当社のレンズチューブカプラには、内ネジ型、外ネジ型、クランプ型があり、SM05、SM1、SM2、SM3のネジ付きレンズチューブやCマウントエクステンションチューブを接続できます。ネジ付きレンズチューブカプラは、2個の外ネジ付き部品、あるいは2個の内ネジ付き部品を結合します。SM05、SM1、SM1.5、SM2、SM3およびCマウント外ネジ付き部品を位置固定するロッキングリングもご用意しております。
SM1レンズチューブ用の非回転カプラは、配線の付いた部品や偏光素子の付いたレンズチューブなど、回転によって影響を受けるSM1ネジ付き部品の取り付けに適しています。接続するアダプタをレンズチューブにねじ込んだあと、それらを一緒にクランプするため、部品を回転させる必要がありません。遮光性もあるこれらのカプラは、既存のレンズチューブシステム同士の結合にも適しています。
フレクシャースリーブカプラは、SM1レンズチューブやCマウントエクステンチューブを独自に固定させることができます。このフレクシャークランプ機構では、連結するレンズチューブ端が外ネジ・内ネジのどちらでも結合できます。またこれらも遮光構造になっています。フレクシャースリーブカプラSM1CPL はSM1レンズチューブとCマウントエクステンションチューブ、SM2CPLはSM2レンズチューブを保持します。

Click to Enlarge
Figure 1.2 レンズチューブカプラSM1T20を使用して30 mmケージセグメントを結合することができます。上の写真では、SM1T20のロッキングリングを締め付けて2つのケージセグメントの回転位置を保持しています。ケージプレートCP02F(/M)のケージロッド用フレクシャーネジを緩めることで、右側のケージセグメントをスライドさせることができます。
| Table 122E SM05 Threading: Ø1/2" Lens Tubes, 16 mm Cage Systems | |||
|---|---|---|---|
| External Thread, 0.535"-40.0 UNS-2A | Internal Thread, 0.535"-40.0 UNS-2B | ||
| Max Major Diameter | 0.5340" | Min Major Diameter | 0.5350" |
| Min Major Diameter | 0.5289" | Min Pitch Diameter | 0.5188" |
| Max Pitch Diameter | 0.5178" | Max Pitch Diameter | 0.5230" |
| Min Pitch Diameter | 0.5146" | Min Minor Diameter (and 83.3% of Thread) | 0.508" |
| Max Minor Diameter | 0.5069" | Max Minor Diameter (and 64.9% of Thread) | 0.514" |
| Table 122F RMS Threading: Objective, Scan, and Tube Lenses | |||
|---|---|---|---|
| External Thread, 0.800"-36.0 UNS-2A | Internal Thread, 0.800"-36.0 UNS-2B | ||
| Max Major Diameter | 0.7989" | Min Major Diameter | 0.8000" |
| Min Major Diameter | 0.7934" | Min Pitch Diameter | 0.7820" |
| Max Pitch Diameter | 0.7809" | Max Pitch Diameter | 0.7866" |
| Min Pitch Diameter | 0.7774" | Min Minor Diameter (and 83.3% of Thread) | 0.770" |
| Max Minor Diameter | 0.7688" | Max Minor Diameter (and 64.9% of Thread) | 0.777" |
| Table 122G C-Mount Threading: Machine Vision Lenses, CCD/CMOS Cameras | |||
|---|---|---|---|
| External Thread, 1.000"-32.0 UN-2A | Internal Thread, 1.000"-32.0 UN-2B | ||
| Max Major Diameter | 0.9989" | Min Major Diameter | 1.0000" |
| Min Major Diameter | 0.9929" | Min Pitch Diameter | 0.9797" |
| Max Pitch Diameter | 0.9786" | Max Pitch Diameter | 0.9846" |
| Min Pitch Diameter | 0.9748" | Min Minor Diameter (and 83.3% of Thread) | 0.966" |
| Max Minor Diameter | 0.9651" | Max Minor Diameter (and 64.9% of Thread) | 0.974" |
| Table 122H SM1 Threading: Ø1" Lens Tubes, 30 mm Cage Systems | |||
|---|---|---|---|
| External Thread, 1.035"-40.0 UNS-2A | Internal Thread, 1.035"-40.0 UNS-2B | ||
| Max Major Diameter | 1.0339" | Min Major Diameter | 1.0350" |
| Min Major Diameter | 1.0288" | Min Pitch Diameter | 1.0188" |
| Max Pitch Diameter | 1.0177" | Max Pitch Diameter | 1.0234" |
| Min Pitch Diameter | 1.0142" | Min Minor Diameter (and 83.3% of Thread) | 1.008" |
| Max Minor Diameter | 1.0068" | Max Minor Diameter (and 64.9% of Thread) | 1.014" |
| Table 122J SM30 Threading: Ø30 mm Lens Tubes | |||
|---|---|---|---|
| External Thread, M30.5 x 0.5 – 6H/6g | Internal Thread, M30.5 x 0.5 – 6H/6g | ||
| Max Major Diameter | 30.480 mm | Min Major Diameter | 30.500 mm |
| Min Major Diameter | 30.371 mm | Min Pitch Diameter | 30.175 mm |
| Max Pitch Diameter | 30.155 mm | Max Pitch Diameter | 30.302 mm |
| Min Pitch Diameter | 30.059 mm | Min Minor Diameter (and 83.3% of Thread) | 29.959 mm |
| Max Minor Diameter | 29.938 mm | Max Minor Diameter (and 64.9% of Thread) | 30.094 mm |
| Table 122K SM1.5 Threading: Ø1.5" Lens Tubes | |||
|---|---|---|---|
| External Thread, 1.535"-40 UNS-2A | Internal Thread, 1.535"-40 UNS-2B | ||
| Max Major Diameter | 1.5339" | Min Major Diameter | 1.535" |
| Min Major Diameter | 1.5288" | Min Pitch Diameter | 1.5188" |
| Max Pitch Diameter | 1.5177" | Max Pitch Diameter | 1.5236" |
| Min Pitch Diameter | 1.5140" | Min Minor Diameter (and 83.3% of Thread) | 1.508" |
| Max Minor Diameter | 1.5068" | Max Minor Diameter (and 64.9% of Thread) | 1.514" |
| Table 122L SM2 Threading: Ø2" Lens Tubes, 60 mm Cage Systems | |||
|---|---|---|---|
| External Thread, 2.035"-40.0 UNS-2A | Internal Thread, 2.035"-40.0 UNS-2B | ||
| Max Major Diameter | 2.0338" | Min Major Diameter | 2.0350" |
| Min Major Diameter | 2.0287" | Min Pitch Diameter | 2.0188" |
| Max Pitch Diameter | 2.0176" | Max Pitch Diameter | 2.0239" |
| Min Pitch Diameter | 2.0137" | Min Minor Diameter (and 83.3% of Thread) | 2.008" |
| Max Minor Diameter | 2.0067" | Max Minor Diameter (and 64.9% of Thread) | 2.014" |
| Table 122M SM3 Threading: Ø3" Lens Tubes | |||
|---|---|---|---|
| External Thread, 3.035"-40.0 UNS-2A | Internal Thread, 3.035"-40.0 UNS-2B | ||
| Max Major Diameter | 3.0337" | Min Major Diameter | 3.0350" |
| Min Major Diameter | 3.0286" | Min Pitch Diameter | 3.0188" |
| Max Pitch Diameter | 3.0175" | Max Pitch Diameter | 3.0242" |
| Min Pitch Diameter | 3.0133" | Min Minor Diameter (and 83.3% of Thread) | 3.008" |
| Max Minor Diameter | 3.0066" | Max Minor Diameter (and 64.9% of Thread) | 3.014" |
| Table 122N SM4 Threading: Ø4" Lens Tubes | |||
|---|---|---|---|
| External Thread, 4.035"-40 UNS-2A | Internal Thread, 4.035"-40.0 UNS-2B | ||
| Max Major Diameter | 4.0337" | Min Major Diameter | 4.0350" |
| Min Major Diameter | 4.0286" | Min Pitch Diameter | 4.0188" |
| Max Pitch Diameter | 4.0175" | Max Pitch Diameter | 4.0245" |
| Min Pitch Diameter | 4.0131" | Min Minor Diameter (and 83.3% of Thread) | 4.008" |
| Max Minor Diameter | 4.0066" | Max Minor Diameter (and 64.9% of Thread) | 4.014" |
| Posted Comments: | |
Katsuya Nozawa
 (posted 2025-05-09 14:21:11.247) Dear Sir,
I am using your SM1CH, SM1CF and SM1A39 to change C-mount cameras on a microscope, such as from a visible camera to an InGaAs camera.
It is much better than using C-mount threads directly, because I don't have to rotate a camera and I can fix the camera on desired angle.
I hope you will make Non-Rotating Coupling Adapters with external C-mount threads. jpoling
 (posted 2025-05-09 07:06:58.0) Thank you for your valuable feedback and for the description of your application with our products. I have posted this suggestion to our engineering forums so that we can look into the possibility of offering a non-rotating coupling adapter with external C-mount threads in the future. Michael Molter
 (posted 2023-03-10 14:51:55.26) Is there a reason the OD of this flange doesn't adhere to the KF-25 standard of 1.57"? Per the model, It's a little smaller than anticipated.
I assume it will still seal okay on a KF-25 fitting/clamp? ksosnowski
 (posted 2023-03-24 05:36:20.0) Hello Michael, thanks for reaching out to Thorlabs. This flange in particular is not intended to be vacuum compatible as it is anodized, but is designed to be light-tight. This extra clearance allows the SM1CF to fit inside of other 1.5" clamp equipment as well. In our design and prototyping we found this to give reliable mating across other supplier's KF-25 fittings, while preventing lateral shift of either lens tube section due to mating differences in systems. This does not interfere with the seal, and should present no issues in purging applications. I have reached out directly to discuss this further. Eric Lentz
 (posted 2022-06-06 11:17:24.29) Hello. It would be great to have a part number etched on this so we can order more and know what it is in the future. Thanks jdelia
 (posted 2022-06-06 02:12:18.0) Thank you for contacting Thorlabs, and for providing this valuable feedback. We will be forwarding your request over to our engineers through our internal suggestion forum. 伟林 何
 (posted 2019-12-11 08:51:41.717) "CMNT - C-Mount(1.00英寸-32)锁定环,1.25英寸外径"这个是2.8mm厚的,有没有更薄的,比如2mm及以下的? llamb
 (posted 2019-12-12 03:16:55.0) Thank you for your feedback. We can indeed offer custom, thinner versions of the CMNT locking ring. We have reached out to you directly to discuss potential quoting.
感谢您的反馈意见。 我们确实可以提供定制的,更薄版本的CMNT锁紧环。 我们已直接与您联系,讨论潜在的报价。 user
 (posted 2014-10-13 16:41:59.227) On SM05 and SM1 couplers, can I confirm, as suggested by the Autocad PDF files, that two retaining rings are supplied and so aren't required as an additional order i.e. SM05T2 is sufficient for mounting two tubes and locking them in place? cdaly
 (posted 2014-10-13 02:14:55.0) Response from Chris at Thorlabs: The internally threaded SM05T1 and SM1T1 couplers do not come with retaining rings. The externally threaded SM05T2 and SM1T2 couplers do both come with the two locking nuts shown. SM05T2 can be used to mount together two internally threaded ends of lens tubes, locking them in place with the provided nuts. steve
 (posted 2013-06-04 00:01:55.8) How about an electrical isolating version (external and/or internal threads). For example, many laser diodes have their case electrically live and thus when mounted to your tubes, the whole tube assembly and whatever is connects to becomes connected. Especially an issue if you also mount a bare photodiode into a tube wince photodiodes also often have their case electrically active. I see you make Delrin adaptors for thermal isolation. tcohen
 (posted 2013-06-06 12:45:00.0) Response from Tim at Thorlabs: Thank you for your suggestion. The anodization process used on the majority of our optomech makes them fairly electrically isolated. tcohen
 (posted 2012-07-19 10:56:00.0) Response from Tim at Thorlabs: Thank you very much for your feedback! This can be done with lens tubes and the adapters on this page, but I agree that this would be a much more convenient solution. Our design team will look at this. ~1/3 of our products are customer inspired, including the original versions of these. Thank you for sharing your feedback so that we can continue to increase our selection with products directly relevant to your applications. nkad
 (posted 2012-07-17 15:29:53.0) A much longer range of externally threaded SM1 coupling tubes would be really helpful, this would allow for a huge range of adjustment between enclosed optics. I would suggest 4" and 6". acable
 (posted 2007-12-12 10:14:08.0) It would be really helpful to have photos for each of the individual parts shown on this page. |

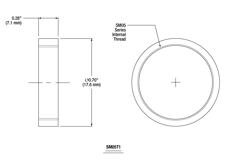
SM05T1は内ネジ付きカプラで、2つの外ネジ付きSM05部品を接続できます。SM05T1は、当社のSM05ネジ付き標準レンズチューブ2つを直接結合できるよう設計されています。
当社ではSM05内ネジ付きの部品の接続用に3タイプの外ネジ付きカプラをご用意しています。これらのカプラは、全長にわたって外ネジが切られているので、取付ける部品の位置や角度の最適化が可能です。付属のロッキングリングSM05NTを2個お使いいただくと、調整後に取付ける部品を固定できます。追加のロッキングリングは別途お買い求めいただけますので、これを用いて他のSM05部品の外ネジの深さを制限することもできます。 特に、偏光子を交差させて使用する場合など、2つの部品を選択的に相対方向に配置する場合には複数のロッキングリングのご使用をお勧めします(詳細はVideo 1.1をご覧ください)。
手が届かない位置にロッキングリングを使用する場合、当社ではスロット付きロッキングリングSM05NT1とスパナレンチSPW502をご用意しています。このロッキングリングにはスパナレンチSPW502の19.1 mm(3/4インチ)側用にスロットが付いています。ロッキングリングSM05NT1VはSM05NT1の真空対応モデルです。アルマイト加工されていない6061-T6アルミニウム製で、10-6 Torrまでの真空に対応します。
Table G1.1には、ご提供可能なすべてのカプラとロッキングリングの仕様を掲載しています。

CMT1は、2つのCマウント外ネジ付き部品を接続するためのCマウント内ネジ付きのカプラです。長さは8.9 mmで、2つのCマウントエクステンションチューブを接続できます。
外ネジ付きカプラCMT2およびCMT10は、Cマウント内ネジ付き部品を接続できます。部品の全長にわたって外ネジが付いているので、カメラおよびレンズの相対位置や回転を調整することができます。調整後、各カプラに2個ずつ付属するロッキングリングCMNTを使用して、取り付けた部品を手で締め付け固定することができます。追加のロッキングリングは別途お買い求めいただけますので、これを用いて他のCマウントネジ付き部品の外ネジの深さを制限することもできます。 特に、偏光子を交差させて使用する場合など、2つの部品を選択的に相対方向に配置する場合には複数のロッキングリングのご使用をお勧めします(Video 1.1をご参照ください)。
手が届かない位置にロッキングリングを使用する場合、当社ではスロット付きロッキングリングCMNT1ならびにスパナレンチSPW502もご提供しています。ロッキングリングにはスパナレンチSPW502の31.8 mm(1.25インチ)側用のスロットが付いています。
ご提供可能な製品の仕様をTable G2.1に掲載しています。

SM1T1は長さ7.1 mm、SM1内ネジ付きのカプラで、2つのSM1外ネジ付きレンズチューブを接続するために設計されています。
SM1T3は長さ6.4 mm、SM1外ネジ付きのカプラで、2つのSM1内ネジ付きレンズチューブを接続します(ロッキングリングは付属しません)。
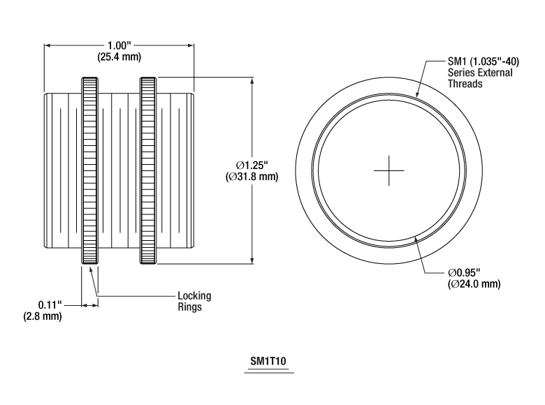
当社ではSM1T3以外にも、SM1内ネジ付き部品の接続用に6種類の外ネジ付きカプラをロッキングリング付きでご用意しております。これらのカプラには外ネジ加工がされているため、取り付けた部品を最適な位置や角度に取り付けることができます。SM1T4は長さ11.9 mmのカプラで、両側に外ネジ、片側に幅3 mmの固定ショルダが付いています。ロッキングリングSM1NT1も1個付属します。長さ12.7 mm~101.6 mmの外ねじ付きカプラは、2個のロッキングリングSM1NTが付属します。ロッキングリングは取り付けた部品の固定用で、手で締め付けることができます。追加でロッキングリングを別途ご購入いただけるので、あらゆるSM1ネジ付き部品の外ネジの深さを制限することもできます。複数のロッキングリングを使用すると、直交偏光子を構成する用途などではそれぞれのレンズチューブを自在にロックすることができます(Video 1.1をご参照ください)。
ロッキングリングを手で締め付けにくい用途では、スパナレンチSPW502をロッキングリングSM1NT1のスロット、もしくはレンズチューブカプラSM1T4の固定ショルダにご使用いただけます。ロッキングリングSM1NT1も別途ご購入が可能で、カプラに付属するロッキングリングSM1NTの代わりにご使用いただけます。ロッキングリングSM1NT1VはSM1NT1の真空対応モデルです。アルマイト加工されていない6061-T6アルミニウム製で、10-6 Torrまでの真空に対応します。
2つのSM1外ネジ付き部品を一定の距離をおいて接続させたい場合には、長さ12.7 mm~88.9 mmでご用意している外ネジ無しのレンズチューブを使用してください。2つのSM1内ネジ付き部品を一定の距離をおいて接続させたい場合には、下記のSM1レンズチューブスペーサを使用してください。
Table G3.1ではすべてのカプラおよびロッキングリングの仕様がご覧いただけます。


- レンズチューブ間のスペーサとして使用可能
- 両端にSM1外ネジ付き
- 長さは25.4 mm(1インチ)~88.9 mm(3.5インチ)の範囲で6種類
こちらの外ネジ付きレンズチューブ(スペーサ)は、SM1内ネジ付きの2つの部品を一定の距離で結合するように設計されています。内ネジが切られておらず、Ø24.0 mmの開口部があります。
Figure G4.1では、2つのスロット付きレンズチューブSM1L30Cが、2つの平凸レンズを保持しています。 これらの間にあるのがレンズチューブSM1S30で、 レンズチューブ用スリップリングSM1RC/M使ってポストに取り付けてあります。このようなセットアップでは、2つのレンズを一定の間隔で固定するために使用するコネクタは1個ですみます。

| Bundle Contents | ||
|---|---|---|
| Item # | Adapters | Coupler |
| SM1CFF | Two Internal SM1 Adapters (SM1CF) | Clamp and Centering Ring (SM1CH) |
| SM1CMF | Internal SM1 Adapter (SM1CF) | |
| External SM1 Adapter (SM1CM) | ||
| SM1CMM | Two External SM1 Adapters (SM1CM) | |
- 非回転の遮光カプラによりSM1レンズチューブを連結
- クランプ筐体によりSM1ネジ付きアセンブリ同士を結合
- クランプやネジ付きの結合用アダプタはセットならびに単品でご用意
- KF25シリーズ真空部品に対応*
- Ø12 mm~Ø12.7 mm(Ø1/2インチ)ポスト用のM4ザグリ穴付き
非回転SM1レンズチューブカプラは、SM1ネジ付きレンズチューブや部品を連結する際に、部品を回転させる必要がありません。SM1レンズチューブシステムの回転方向を変えずに結合できるため、偏光のように回転方向が重要な用途に適しています。またこのカプラは、パワーメーターセンサやSM1ネジ付きディテクタなども、センサーケーブルの巻付きを気にせずにシステムに取り付けることができます。
2つのSM1ネジ付き部品を結合する場合、まず各部品についている内ネジまたは外ネジのアダプタを取り付けます。アダプタの間にViton®Oリング付きのアルミニウム製中央リングを挿入し、部品同士を押し付けます。その後、クランプ筐体を2 mm六角レンチで締めます。その際アダプタとOリングも一緒に圧迫されるため、結合部には遮光性と密閉性が得られます。クランプ筐体にはØ12 mm~Ø12.7 mm(Ø1/2インチ)ポスト取付け用のM4ザグリ穴が付いています。
*アルマイト加工によるアウトガスがあり、このカ プラは真空用には適していません。この結合アダプタは、KF25シリーズの中央リングやクランプ部品を取り付け可能だというだけです。パージに使用する場合は、正圧として340 kPa(50 psi、3.4 bar)まで維持可能です。

Click for Details
Figure G6.1 カプラSM1CMFの構造
Video G6.3 SM1CMFの取り付け方法

- フレクシャーカプラにより、SM1レンズチューブ、Cマウントエクステンションチューブや外径Ø30.5 mm(Ø1.2インチ)の円筒形状の部品を接続できます。
- 3種類の長さでご用意: 12.7 mm、25.4 mm、76.2 mm
- 黒色シリコーンガスケットRTV103により、光が外に漏れません。
- レンズチューブは全長にわたって位置を調節でき、内ネジ、外ネジのどちらの方向にもご使用いただけます。
これらのレンズチューブカプラは、すべてのØ25 mm~Ø25.4 mm(Ø1インチ)光学素子用レンズチューブ、Cマウントエクステンションチューブおよび外径Ø30.5 mm(Ø1.2インチ)の円筒形状部品を接続することのできるフレクシャークランプ型スリーブです。レンズチューブをカプラの中へ入れ、2個のØ2 mm(5/64インチ)の六角ネジを締め付けて固定します。
固定部分には黒色のRTV103シリコーン製のガスケットが付いており、これにより、光を遮断しながらレンズチューブを結合することができます(Figure G7.1とG7.2をご覧ください)。レンズチューブは、結合長が6 mmあれば、カプラの長さにわたって、どの位置にも取付け可能です。また、内ネジ・外ネジのどちらが外側に向いていても結合できます。

| Table G8.1 Specifications | ||
|---|---|---|
| Item # | SM1.5NT | SM1.5NT1 |
| Description | SM1.5 Locking Ring | SM1.5 Slotted Locking Ring |
| Threads | Internal SM1.5 | |
| Length | 0.11" (2.8 mm) | |
| Drawing | ||
ロッキングリングSM1.5NTはSM1.5内ネジ付きで外側はローレット加工されています。キネマティックアダプタKAD1FなどSM1.5ネジ付きのあらゆる部品の固定にお使いいただけます。ロッキングリングを2つ使用すると、回転角度を保ったままSM1.5ネジ付き部品の両側にレンズチューブ位置の調整して取り付けることができます。 またロッキングリング2つ並べてねじ込むことでハードストップを構築することもできます。
スロット付きロッキングリングSM1.5NT1では、スパナレンチSPW504を使用してより簡単にロッキングリングを締め付けおよび調整できます。ロッキングリングはスパナレンチを使用して強く締めることができます。
詳しい仕様についてはTable G8.1をご覧ください。

SM2T1は内ネジ付きカプラで、2つの外ネジ付きSM2部品を接続できます。SM2T1は、当社のSM2ネジ付き標準レンズチューブ2つを直接結合できるよう設計されています。
SM2T2は、SM2外ネジが付いているカプラで、SM2内ネジ付きの2つの部品を接続できます。これらのカプラは、全長にわたって外ネジが切られているので、取り付ける部品の位置や角度の最適化が可能です。調整後、各カプラに2個ずつ付属するロッキングリングSM2NTを使用して、取り付けた部品を手で締め付け固定することができます。追加のロッキングリングは別途お買い求めいただけますので、これを用いて他のSM2ネジ部品の外ネジの深さを制限することもできます。 特に、偏光子を交差させて使用する場合など、2つの部品を相対方向に配置する場合には複数のロッキングリングのご使用をお勧めします(詳細はVideo 1.1をご覧ください)。
手が届かない位置にロッキングリングを使用する場合、当社ではスロット付きロッキングリングSM2NT1ならびにスパナレンチSPW503もご提供しています。ロッキングリングには57.2 mm(2.25インチ)のスパナレンチSPW503用のスロットが付いています。
ご提供可能な製品の仕様をTable G9.1に掲載しています。


Click to Enlarge
Figure G10.2 SM2CPL10により2本のØ50 mm~Ø50.8 mm(Ø2インチ)レンズチューブを接続。ゴム製ガスケットによってカプラ内の光が外に漏れません。

Click to Enlarge
Figure G10.1 2個の2 mm六角ネジを締めることによってレンズチューブが固定されます。
- フレクシャーカプラがSM2レンズチューブなどの外径Ø56 mmの円筒形の部品を保持します。
- ガスケットにより、光が外に漏れません。
- 長さ:12.7 mmまたは25.4 mm
- レンズチューブはこのレンズチューブカプラの長さ範囲で位置を調節でき、内ネジ、外ネジどちらの方向にも向けることができます。
こちらのレンズチューブカプラは、Ø50 mm~Ø50.8 mm(Ø2インチ)レンズチューブなどの外径 Ø56 mmの円筒形状部品を保持することのできるフレクシャークランプ型スリーブです。レンズチューブをカプラに入れ(どちらの端でも可)、スリーブの側面にある2つの2 mm六角ネジを締め付けることで固定されます。
カプラ固定部分には黒色のシリコン製のガスケットが付いており、これにより、光を遮断しながらレンズチューブを結合することができます(Figure G10.1とG10.2をご覧ください)。結合されたレンズチューブは、結合長が6 mmあれば、内ネジ・外ネジのどちらが外側に向いていても、またカプラのどの位置にあっても固定が可能です。

The SM3T1は内ネジ付きカプラで、2つの外ネジ付きSM3部品を接続できます。SM3T1は、当社のSM3ネジ付き標準レンズチューブ2つを直接結合できるよう設計されています
SM3T2は、SM3外ネジが付いているカプラで、SM3内ネジ付きの2つの部品を接続できます。SM3ネジ付き部品の位置を固定できるロッキングリングSM3NTが2つ付属しています。
追加のロッキングリング(型番SM3NT)は別途お買い求めいただけますので、これを用いて他のSM3部品の外ネジの深さを制限することもできます。特に、偏光子を交差させて使用する場合など、2つの部品を選択的に相対方向に配置する場合には複数のロッキングリングのご使用をお勧めします(詳細はVideo 1.1をご覧ください)。
ご提供可能な製品の仕様をTable G11.1に掲載しています。
Products Home












ズーム















レンズチューブカプラ&ロッキングリング