16 mmケージシステム用ケージプレート

- Compatible with 16 mm Cage Systems
- Designed for Use with SR Construction Rods
- Side-Located Setscrews to Secure Plate to Rods
SP14
Internal M12.5 x 0.5 Threads
for Unmounted Optics
(Retaining Rings Included)
SP01
Blank Plate
SCPA1
Alignment Plate
SSP05
Slip Plate Positioner
QRC05A
Quick-Release
Optic Mount (Two
Retaining Rings Included)
SP03
Ø16 mm Clear Aperture

Please Wait
| Alternative Size Options |
|---|
| 16 mm Cage Plates |
| 30 mm Cage Plates |
| 60 mm Cage Plates |
ケージアセンブリシステムは柔軟な組み立てと正確なアライメントを実現するように設計された信頼性の高い精密機械加工された部品で作られており、大きな光学系を構築するのに便利です。広く採用されている構築に関する規格については「ケージシステム概要」のタブをご覧ください。
16 mmケージプレートは、Ø5 mm~Ø12.7 mm(Ø1/2インチ)光学部品をベースにして光学システムを組み立てるのに適した構成部品です。ケージプレートの四隅には、中心間隔16 mmのØ4 mm貫通穴があります。これらの穴はケージロッドにぴったり合うように機械加工が施されていて、側面から止めネジを使ってプレートをアセンブリロッドに位置固定します。
ケージシステムの互換性: 当社では、 Ø12 mm~Ø12.7 mm(Ø1/2インチ)、Ø25 mm~Ø25.4 mm(Ø1インチ)、Ø50 mm~Ø50.8 mm(Ø2インチ)の光学部品用に、それぞれ16 mm、30 mm、60 mmのケージシステムをご用意しています。このページに掲載されているパーツは、16 mmケージシステムに対応しており、Ø4 mm SRケージロッドを使用しています。
ケージシステムの概要
当社のケージアセンブリシステムでは、自由で迅速な組み立てと正確なアライメントが可能で、大きなオプトメカニクスシステムを構築するのに便利です。
16 mm、30 mm、60 mmのケージシステム規格
当社はケージシステム用ロッドを取り付けるネジ穴同士の中心間の距離に従って、3つの規格に分けています(Figure 14A参照)。 16 mmのケージシステム、30 mmのケージシステム、60 mmのケージシステムはそれぞれØ12 mm~Ø12.7 mm(Ø1/2インチ)、Ø25 mm~Ø25.4 mm(Ø1インチ)、Ø50 mm~Ø50.8 mm(Ø2インチ)の光学素子を納められる設計です。 小さなサイズの光学素子を大きなサイズのケージシステムに直接組み込むことのできる特殊設計のケージプレートもご提供しています。
標準ネジ規格
ケージシステムは、しっかりと規定された取付け方法とネジ規格により、多くの種類の製品が直接取り付けられるように柔軟性の高いアセンブリシステムとなっています。 最も使用されている3つのネジ規格として、当社のSM05シリーズ、SM1シリーズ、SM2シリーズがあり、これら全てのネジ規格は、一般的な大きさの光学素子が収納できるように規定されています。 当社のレンズチューブのような構成要素部品は、これらの規格に対応する部品に直接取り付けられます。

Figure 14A ケージシステムの接続性を規定する標準のケージプレート寸法の1例
| Standard Cage System Measurements | |||
|---|---|---|---|
| Cage System | 16 mm | 30 mm | 60 mm |
| Thread Series | SM05 | SM1 | SM2 |
| Rod to Rod Spacing | 16 mm (0.63") | 30 mm (1.18") | 60 mm (2.36") |
| Total Length | 25 mm (0.98") | 41 mm (1.60") | 71.1 mm (2.80") |
| ケージシステム部品 | ||
|---|---|---|
| ケージロッド | 16 mm | ロッドは、ケージプレート、光学素子マウントなどの部品をケージシステムに組み込む際に利用します。 16 mmケージシステムにはSRシリーズケージロッド、30 mmや60 mmケージシステムにはERシリーズケージロッドを使用します。 |
| 30 mm | ||
| 60 mm | ||
| ケージプレート | 16 mm | ケージプレートはケージシステムの基本となる構成部品です。 ケージプレートの中心穴にはSMシリーズのネジ切り加工が施されている場合やネジ切りなしの場合がありますが、この中心穴には業界標準規格の光学素子や当社のSMシリーズのレンズチューブが挿入できます。他にも FiberPort用など特殊な穴が開いているケージプレートもあります。 |
| 30 mm | ||
| 60 mm | ||
| 光学素子用マウント | 16 mm | 当社ではケージシステム用に特別に設計された固定式、キネマティック式、回転式、移動マウントをご用意しています。 |
| 30 mm | ||
| 60 mm | ||
| ケージキューブ | 16 mm | ケージキューブは、プリズムやミラーなどの大きな光学素子、そしてビームスプリッタなどの光路に対して一定の角度で位置決めする必要のある光学素子を納めるのに適しています。 当社では、光学素子がマウント済みのケージキューブ、および何もマウントしていないケージキューブをご用意しています。 |
| 30 mm | ||
| 60 mm | ||
| 交換用止めネジ(セットスクリュ) | 交換用止めネジは、当社の16 mmケージシステム製品用 (SS4B013、SS4B025、SS4B038)および30 mmケージシステム製品用(SS4MS5、SS4MS4)にご用意しております。 | |
| ポストおよびブレッドボード取付け用部品 | ケージシステムの取付け方法についてはケージシステム構築部品のページをご参照ください。 ケージシステムは、テーブルの表面に対して、平行または直角の両方の向きに取付けできます。 | |
| ケージシステム変換アダプタ | ケージシステム変換用アダプタは、異なるケージシステムやネジ規格の部品を組み合わせるために用います。 | |
| 特殊部品 | 当社では幅広い部品がケージシステムに組み込めるように、特別設計のケージシステム用部品もご提供しています。例としてはフィルターホイール、HeNeレーザーマウント、FiberPort用ケージプレートアダプタなどがあります。 ケージシステム関連製品の詳細は、関連ページをご参照ください。 | |
| Posted Comments: | |
John Bowen
 (posted 2023-07-07 14:22:10.34) It would be nice if you made a thick version of this. A lot of doublets are too thick for this mount. jdelia
 (posted 2023-07-10 03:33:00.0) Thank you for contacting Thorlabs and for providing this valuable feedback. I could certainly pass this request along to our design engineers through our internal suggestion forum. We have also reached out to you directly to discuss your application and requirements further. Alan McCartt
 (posted 2023-01-18 20:02:39.66) Could Thorlabs provide a blank slip plate for the SSP05? We would like to machine a M10x0.5 thread for use with some of your aspheres. jdelia
 (posted 2023-01-19 01:45:57.0) Thank you for contacting Thorlabs. I have reached out to you directly regarding the feasibility of the customized part you have requested. cdaly
 (posted 2013-06-14 09:49:58.523) Response from Chris at Thorlabs: Thank you for your feedback. Have you considered using the SRSCA to connect the rods? It can be threaded into the end of one rod, while the other will slide in and be held with a set screw, just as it would with the CP02T. Four of these would allow you to combine two cage systems. They can be found here: http://www.thorlabs.com/thorproduct.cfm?partnumber=SRSCA ar687
 (posted 2013-06-13 08:24:37.333) For the 30-mm cage system the product CP02T is a cage-plate with two retaining screws. This is extremely useful for joining two cages, especially if both are connected to a beamsplitter or mirror mount cube. With the 16-mm system, such an option does not exist, making it very awkward to join two cages. A 16-mm cage plate with two retaining screws per rod would be very useful.
Andrew Ramsay, |


Click for Details
Figure 294A SP02の寸法
- Ø4 mmケージロッド用4つの貫通穴付き
- 光学素子やSM05レンズチューブを固定するSM05ネジと固定リング
- M3タップ穴を用いてミニシリーズポストを取り付け可能
- #3-48キャップスクリュ(キューブに付属、SP02には付属していません)を用いてケージキューブSC6Wに接続可能
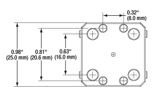
SM05ネジ付きケージプレートは、当社の小型16 mmケージアセンブリーシステムと組み合わせるよう設計されています。Ø4 mmケージロッド用に4つの貫通穴が付いています。ケージロッド用貫通穴の側面に付いているロック用止めネジは、1.3 mm(0.05インチ)六角レンチで固定できます。プレートの片端にはM3タップ穴、反対側には#4-40タップ穴がついています。また、#3-48キャップスクリュ(キューブに付属)によりケージプレートをケージキューブSC6Wに取り付けられます。固定リングSM05RRは2個付属します。

- Ø5 mm~Ø12 mm光学素子用マウント
- 光学素子取付け用固定リングが2個付属
- 16 mmケージシステムに対応
- ポストに取付け不可
こちらのケージプレートには内ネジがあり、当社のマウント無しの非球面レンズやアクロマティックレンズなど、直径Ø5 mm~Ø12 mmの光学素子を16 mmケージシステムに取り付けられるように設計されています。ケージプレートには各サイズに適した固定リングが2つ付属していますので、こちらを使用して光学素子を固定します。 固定リングを締め付ける際にはスパナレンチSPW801のご使用をお勧めいたします。ケージロッド用貫通穴の側面には#4-40止めネジが付いており1.3 mm(0.05インチ)六角レンチを用いてケージロッドに固定することができます。交換用の止めネジ(セットスクリュ)が必要な場合には、真鍮製のSS4B013(1.3 mm六角レンチ使用)をご用意しております。また#3-48キャップスクリュ(ケージプレートには付属していません)を使用してケージプレートを6方向ケージキューブSC6Wに取り付け可能です。
当社ではØ5 mm~Ø101.6 mm(Ø4インチ)の光学素子用に、ポスト取付け可能な内ネジ付き固定式マウントもご用意しておりますが、こちらはケージシステムには対応しておりません。
| Item # | Optic Diameter | CAa | Optic Thickness (Max)b | Internal Threads | Retaining Ring | Mount Thickness | Spanner Wrench |
|---|---|---|---|---|---|---|---|
| SP07 | 5 mm | Ø0.15" (Ø3.8 mm) | 0.09" (2.2 mm) | M5.5 x 0.5 | SM5RR | 0.23" (5.7 mm) | SPW801 |
| SP08 | 6 mm | Ø0.19" (Ø4.8 mm) | 0.11" (2.8 mm) | M6.5 x 0.5 | SM6RR | 0.25" (6.4 mm) | |
| SP09 | 7 mm | Ø0.23" (Ø5.8 mm) | 0.11" (2.8 mm) | M7.5 x 0.5 | SM7RR | 0.25" (6.4 mm) | |
| SP10 | 8 mm | Ø0.27" (Ø6.9 mm) | 0.16" (4.0 mm) | M8.5 x 0.5 | SM8RR | 0.30" (7.6 mm) | |
| SP11 | 9 mm | Ø0.31" (Ø7.9 mm) | 0.16" (4.0 mm) | M9.5 x 0.5 | SM9RR | 0.30" (7.6 mm) | |
| SP12 | 10 mm | Ø0.35" (Ø8.8 mm) | 0.16" (4.0 mm) | M10.5 x 0.5 | SM10RR | 0.30" (7.6 mm) | |
| SP13 | 11 mm | Ø0.36" (Ø9.1 mm) | 0.16" (4.0 mm) | M11.5 x 0.5 | SM11RR | 0.30" (7.6 mm) | |
| SP14 | 12 mm | Ø0.40" (Ø10.2 mm) | 0.16" (4.0 mm) | M12.5 x 0.5 | SM12RR | 0.30" (7.6 mm) |


Click for Details
Figure G3.1 SP03の寸法
- Ø4 mmケージロッド用4つの貫通穴付き
- 側面には光学素子をクランプするナイロンチップ付きの止めネジ(1.3 mm(0.05インチ)六角レンチ) 1個
- M3タップ穴を用いてミニシリーズポストを取り付け可能
- #3-48キャップスクリュ(キューブに付属、SP03には付属していません)を用いてケージキューブSC6Wに接続可能
SP03には、光学素子を取り付け、当社の小型16 mmケージシステムに組み込むための16 mmの開口があります。Ø4 mmケージロッド用に4つの貫通穴が付いています。ケージロッド用貫通穴の側面に付いているロック用止めネジは、1.3 mm(0.05インチ)六角レンチで固定できます。交換用の止めネジ(セットスクリュ)が必要な場合には、真鍮製のSS4B013(1.3 mm六角レンチ使用)をご用意しております。プレートの片端にはM3タップ穴、反対側には#4-40タップ穴がついています。 こちらのプレートはプリズムマウントやビームスプリッターマウントを保持するように設計されており、ケージシステム用プリズムマウントSPM2(別売り)に対応しています。 また、#3-48キャップスクリュ(キューブに付属)によりケージプレートをケージキューブSC6Wに取り付けられます。

- 手動による±1.0 mmの調整
- SM05内ネジ付き
- Ø12 mm~Ø12.7 mm(Ø1/2インチ)用レンズチューブに取り付けた光学素子を保持
- 16 mmの貫通穴
- 2つの調整ネジ(1.3 mm六角レンチに対応)を使って固定可能
16 mmケージシステム用スリッププレートポジショナSSP05は、当社のケージアセンブリシステム内で光学部品のXY方向への粗調整が行なえるように設計されています。位置調整は可動キャリッジによって行えます。この可動キャリッジは、片方のプレートの表面に沿って移動してXY方向への微調整を行います。可動キャリッジは手動による調整のみが可能です。
調整するには、まず、1.3 mm六角レンチまたはボールドライバで2つの調整ネジを緩め、可動キャリッジを手動で任意の位置に調整します。位置が決まったら、ネジを締め付けてキャリッジを固定します。可動キャリッジにはSM05内ネジがあり、Ø12 mm~Ø12.7 mm(Ø1/2インチ)光学素子用レンズチューブが取り付け可能です。各ケージロッドの貫通穴には、側面に1.3 mm(0.05インチ)六角レンチで固定できるロック用止めネジ(セットスクリュ)が付いています。交換用の止めネジ(セットスクリュ)が必要な場合には、真鍮製のSS4B025(1.3 mm六角レンチ使用)をご用意しております。
SSP05は、ポスト取り付け用にM3タップ穴が側面に付いており、当社の ミニシリーズポストおよびミニシリーズ台座付きポストを取り付けることができます。
| Item # | Travel | Slip Plate Thickness | Back Plate Thickness | Maximum Optic Thickness | Optics Mounting | Post Mountinga | SR Cage Rod Attachment |
|---|---|---|---|---|---|---|---|
| SSP05 | ±0.04" (±1 mm) | 0.20" (5.1 mm) | 0.25" (6.4 mm) | 0.15" (3.8 mm) | SM05 (0.535"-40) Threads | 4-40 and M3 Tapped Holes | 4 Through Holes with Side-Located Locking Screws |


Click for Details
Figure G5.1 SP01の寸法
- Ø4 mmケージロッド用4つの貫通穴付き
- M3タップ穴を用いてミニシリーズポストを取り付け可能
- #3-48キャップスクリュ(キューブに付属、SP01には付属していません)を用いてケージキューブSC6Wに接続可能
- 黒色アルマイト加工アルミニウム製
ブランクケージプレートは、標準的なネジや穴のサイズでは対応できないカスタム仕様の取り付けや、組み込み用途(OEM用途)の要件に対応します。カスタム仕様の穴サイズやネジはあらゆるドリルやタップを使用して加工が可能です。ケージロッド用貫通穴の側面に付いているロック用止めネジは、1.3 mm(0.05インチ)六角レンチHK050で固定できます。交換用の止めネジ(セットスクリュ)が必要な場合には、真鍮製のSS4B013(1.3 mm六角レンチ使用)をご用意しております。プレートの片端にはM3タップ穴、反対側には#4-40タップ穴がついています。また#3-48キャップスクリュ(ケージプレートには付属していません)によりケージプレートをケージキューブSC6Wに取り付けられます。
当社では30 mmブランクケージプレートCP31/Mおよび60 mmブランクケージプレートLCP31/Mもご用意しております。

- クイックドロップイン式の目視ビームアライメント用
- 小さな貫通穴で16 mmケージアセンブリの中心に位置合わせ
アライメントプレートSCPA1は、16 mmケージがベースとなる光学系のアライメントに便利です。このドロップイン式のプレートには、ケージアセンブリの中心位置にØ1 mmの貫通穴が1つあり、ビームのアライメントの目視に便利です。

- 16 mmケージシステムに対応
- 独自のアリ溝式設計により、脱着が滑らか
- 片手で光学素子の取外しや位置変更が可能
- 厚さ3 mmまでのØ12 mm~Ø12.7 mm(Ø1/2インチ)光学素子に対応
- 当社のSM05シリーズ部品に対応するSM05内ネジ付き
ケージマウントQRC05Aには独自のバネ式アリ溝が装備されていて、ケージロッドに取り付けて位置決めすることができます。カップ状のアクチュエーターレバーで、アリ溝を締めつけることで、アリ溝式機構はケージロッドから外れ、マウントの位置変えやケージアセンブリからの取り外しを素早く行うことが可能です。片手で操作できるので、クランプ機構を作動させるためのツールは不要です。
Products Home











ズーム






ケージプレート